主页 > 产品展示 > 1535nm激光测距仪模块
型号:LRF0305C
LRF0305C 激光测距模块采用飞行时间 (TOF) 技术,可实现 10 米至 4000 米的精准测距。该模块支持 1Hz 至 10Hz 的测距频率,并配备 UART(TTL 3.3V)通信接口。其功能包括单次测距、连续测距、首尾目标识别以及多目标测距,非常适合高精度测距应用。
激光波长 | 1535±5纳米 |
眼睛安全 | Ⅰ类(IEC 60825-1) |
发散角 | ≤0.6毫弧度 |
激光能量 | ≥100微焦 |
视场(FOV) | ~ 7.4毫弧度 |
最大测量范围 (能见度>8公里) | ≥ 4000m @60%反射率,建筑物目标 |
≥3000m @30%反射率,2.3×2.3m目标 | |
≥1500m @30%反射率,0.5×1.7m目标 | |
≥800m @30%反射率,0.2×0.3m目标 | |
最小范围 | ≤10米 |
测距频率 | 1赫兹~10赫兹 |
多目标检测 | 最多 3 个目标 |
测距精度 | ±1米 |
准确率 | ≥98% |
误报率 | ≤1% |
接口类型 | 串口(TTL 3.3V) |
电源电压 | 直流3~5V |
待机功耗 (全温度范围) | ≤10mW(上电时拉低) |
≤0.8W(上电拉高) | |
工作功耗 (全温度范围) | 5V.≤0.9W@1Hz |
5V,<1.5W@10Hz | |
峰值功耗 | <3W@5V |
启动时间 | ≤350ms(启动后响应时间≤20ms) |
重量 | ≤14士1g |
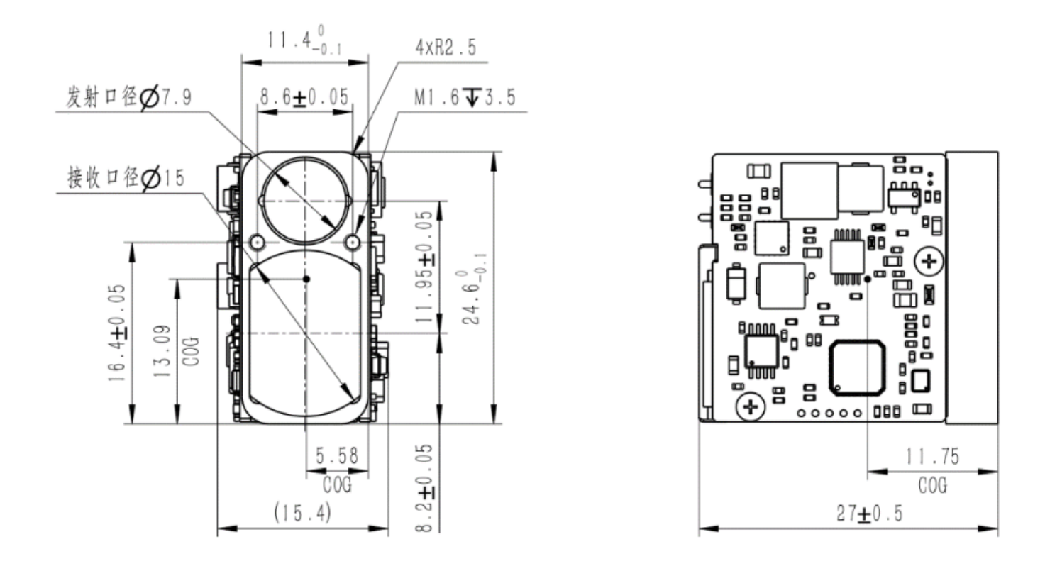
方面 | ≤27×25×15.5mm(长×宽×高) |
震惊 | 1200克,1毫秒 |
振动 | 5~50~5 Hz,1倍频程/分钟,2.5g |
工作温度 | -40~+70℃ |
储存温度 | -45~+70℃ |
可靠性 | 平均无故障时间>1500小时 |

建议的安装支架尺寸如下:

安装示意图:

别针 | 定义 | 描述 |
1 | 开机 | 模块电源开关,TTL 3.3V电平; 模块开启(>2.7V),模块关闭(<0.3V) |
2 | UART_RX | 串口接收器,TTL 3.3V电平 |
3 | UART_TX | 串口发送器,TTL 3.3V电平 |
4 | 数控 | |
5 | 正能量 | 电源,3~5V |
6 | 接地 | 串行端口接地 |